Ємнісні датчики диференціального тиску є важливими пристроями в сучасному промисловому приладобудуванні та автоматизації процесів . Вони використовують передову технологію ємнісного вимірювання для вимірювання диференціального, манометричного та абсолютного тиску з високою точністю та довготривалою стабільністю. На відміну від традиційних механічних датчиків тиску, ці датчики не мають рухомих механічних передавальних механізмів , що робить їх компактними, довговічними та дуже стійкими до вібрації. Незалежне регулювання нуля та діапазону забезпечує точність без взаємних перешкод, що сприяє їх широкому використанню в різних галузях промисловості.

У Китаї в багатьох містах запроваджено виробничі лінії американської компанії Rosemount , що виробляє різні моделі для вимірювання диференціального тиску , манометричного тиску та абсолютного тиску . Деякі установки також включають метод вилучення квадратного кореня для вимірювання витрати , а також версії, розроблені для високого статичного тиску та мікродиференціального тиску .
Ємнісний датчик диференціального тиску зазвичай складається з двох основних блоків: вимірювальної секції та секції перетворення/підсилення , як показано на рисунку 1 .

Рисунок 1: Схема ємнісного датчика диференціального тиску
1 — Генератор 2 — Ємнісний датчик 3 — Демодулятор 4 — Регулювання діапазону 5 — Обмежувач струму
6. Підсилювач потужності 7. Операційний підсилювач 8. Регулювання нуля та міграція нуля
9—Підсилювач керування коливаннями 10—Джерело опорної напруги 11—Стабілізатор напруги 12—Захист від зміни полярності
Ємнісний датчик перетворює виміряний диференціальний тиск (ΔP) на зміну ємності. Конденсатори високого та низького диференціального опору, C₁₁H та C₁₂L , збуджуються високочастотним генератором . Отримані зміни струму демодулюються для створення диференціальних сигналів ( i₁L − i₁H ) та синфазних сигналів ( i₁L + i₁H ).
Диференціальний сигнал порівнюється із сигналом зворотного зв'язку ( I f ), потім посилюється та перетворюється на вихідний постійний струм 4-20 мА . Цей вихідний струм протікає через опір навантаження та мережу зворотного зв'язку, підтримуючи лінійну залежність між диференціальним сигналом та вихідним струмом.
Ємнісний датчик складається з нерухомої електродної пластини та рухомої вимірювальної діафрагми, що утворюють два конденсатори ( C H та C L ), підключені до камер високого та низького тиску. Коли прикладається диференціальний тиск, діафрагма відхиляється, змінюючи ємності. Високочастотний генератор (зазвичай 32 кГц) перетворює ці зміни ємності на зміни струму, які посилюються та випрямляються для генерації сигналу постійного струму 4-20 мА, пропорційного прикладеному диференціальному тиску ΔP.
Коли передавач використовується для вимірювання витрати , наприклад, з діафрагмами, трубками Вентурі або соплами , сигнал проходить через екстрактор квадратного кореня для отримання лінійної залежності від швидкості потоку. Пристрій працює за двопровідною системою 24 В постійного струму , підтримуючи напругу живлення від 12 до 45 В постійного струму та опір навантаження до 600 Ом .
Двокамерний ємнісний датчик перепаду тиску показано на рисунку 2 .

Рисунок 2: Двокамерна структура ємнісного датчика перепаду тиску
1, 4 — Ізоляційна діафрагма з хвилястим візерунком; 2, 3 — Основа з нержавіючої сталі; 5 — Скляний шар; 6 — Металева плівка; 7 — Вимірювальна діафрагма
У цій структурі металеві плівки (6) діють як нерухомі електроди, тоді як вимірювальна діафрагма (7) служить рухомим електродом. Обидві сторони діафрагми утворюють дві окремі камери, заповнені силіконовою олією . Нестислива рідина передає перепад тиску Δp = p_H − p_L на поверхні діафрагми.
Коли Δp = 0, ємності з обох сторін ( C H та C L ) рівні. Коли Δp ≠ 0, діафрагма відхиляється в бік низького тиску, роблячи C L > C H .
Використання диференціальної ємності зменшує похибки, спричинені змінами температури діелектричної проникності, тим самим покращуючи чутливість, точність та лінійність — важливі фактори в управлінні промисловими процесами та вимірюванні тиску .
Коли Δp ≠ 0, зміна ємності проілюстрована на рисунку 3 .

Рисунок 3: Зміни ємності з обох боків за наявності перепаду тиску
Рівняння: 

Для діафрагми з початковим натягом прогин пропорційний перепаду тиску: 
Тут K₁ – це структурна константа, яка залежить від кривизни діафрагми, відстані між електродами та механічного натягу. Цей зв'язок гарантує, що вихідний струм прямо пропорційний прикладеному перепаду тиску , забезпечуючи чудову точність вимірювання.
Ємнісний датчик тиску перетворює диференціальний тиск на пропорційну зміну ємності. Вимірювання цієї ємності вимагає високочастотного змінного струму , зазвичай близько 32 кГц .

Рисунок 4: Схема генератора Рисунок 5: Джерело живлення генератора
Схема генератора (рис. 4)
Схема складається з обмоток (висновки 6, 8 та 5, 7) і конденсатора C₂₀, що утворюють резонансну петлю, з'єднану з транзистором VT₁. Резистор зміщення R₂₉ визначає статичну робочу точку. Частота визначається індуктивністю L та ємністю C.
Блок живлення генератора (рис. 5)
Оскільки вимірювання ємності залежить від змінної напруги, напруга генератора повинна залишатися стабільною . Контур керування з негативним зворотним зв'язком автоматично стабілізує напругу, забезпечуючи достатню початкову амплітуду.

Як показано на рисунку 6 , схема генерації ємнісного струму та мережа формування напруги підтримують постійне збудження.

Рисунок 6: Схема генерації ємнісного струму та схема формування напруги U₂
Коли Δp ≠ 0, C_H зменшується, а C_L збільшується, і загальний струм через обидва виражається як:

Автоматичний зворотний зв'язок гарантує, що I L + I H = K₂ (константа), підтримуючи стабільність напруги та постійну чутливість.
У колі генерації ємнісного струму: ![]()
![]()
![]()
Заміна попередніх зв'язків: 
Загальний вихідний струм: ![]()
Таким чином, вихідний сигнал 4-20 мА ємнісного датчика перепаду тиску прямо пропорційний прикладеному перепаду тиску.
Пристрій також забезпечує налаштування нуля , калібрування діапазону та захист від зворотної полярності , забезпечуючи стабільну та безпечну роботу в промислових системах вимірювання тиску .
Датчики тиску серії SH, вироблені silverinstrumens.com, – це широко використовувані двопровідні датчики тиску 4-20 мА , розроблені для іскробезпечних та вибухобезпечних середовищ .
Основні характеристики

Рисунок 7: Зв'язок між напругою живлення та опором навантаження
Коли напруга живлення коливається на ±1 В, коливання вихідного струму залишається нижче 0,005 %, що забезпечує стабільність сигналу та високу точність .
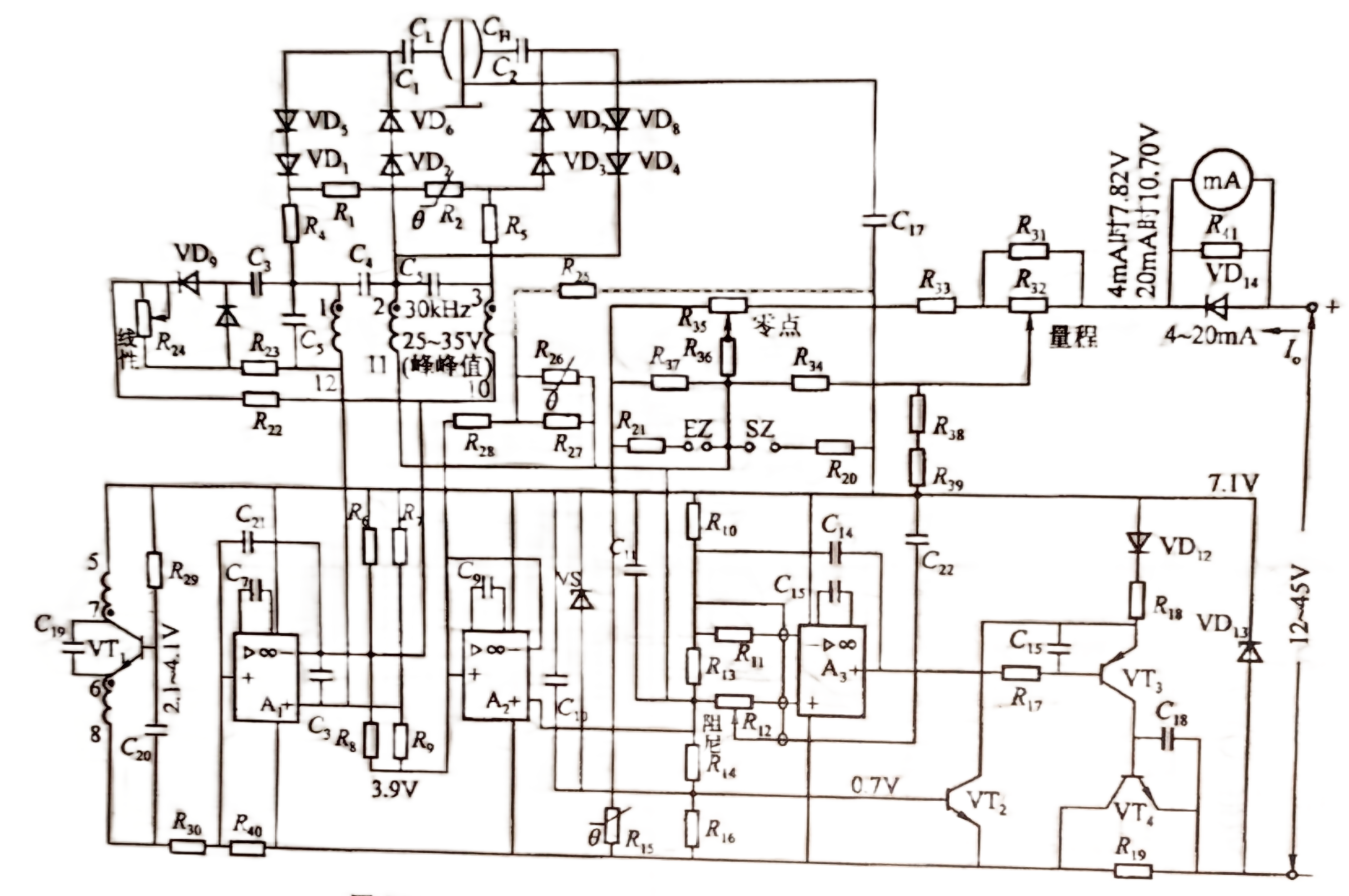
Загальна схема датчика диференціального тиску SHGP/SHDP показана на рисунку 8

Рисунок 8: Схема ємнісного датчика тиску/DP моделі серії SH
Основні компоненти та функції:
Ці елементи забезпечують точну та стабільну роботу в різних промислових умовах, що робить серію SHGP/SHDP одними з найнадійніших ємнісних датчиків перепаду тиску для керування процесами та контрольно-вимірювальних приладів у всьому світі.
Ємнісний датчик тиску 33512018/12/07Ємнісний датчик тиску - це все зварена конструкція з матеріалу з нержавіючої сталі. Цей тип датчика тиску визначає тиск або перепад тиску через масляну заливку в датчику.Перегляд
Трансмітери низького тиску2025/04/03Передавач низького тиску: 16-60 мбар.
Передавач рівня SHLT2017/04/12Датчик рівня фланця SHLT (розумний) може проводити точне вимірювання рівня та щільності для всіх видів контейнерів. Промивний фланець та подовжений фланець, 3 "або 4", фланець 1501b або 3001b, ...Перегляд
SHDP / GP DP / Датчик тиску з дистанційними мембранними ущільненнями2017/04/12Перетворювач диференціального тиску / тиску SHDP / GP з дистанційними мембранними ущільненнями забезпечує своєрідний надійний спосіб вимірювання, щоб уникнути безпосереднього контакту вимірюваного середовища з діафрагмою ущільнення ...Перегляд
Перетворювач дифузійного кремнієвого тиску серії SH 3082017/04/26Загальна інформація про дифузійні кремнієві перетворювачі тиску серії SH 308 Діфузійні кремнієві перетворювачі серії 308 вибирають імпортовані кваліфіковані компоненти датчика тиску кремнію та використовують ...Перегляд
Керамічний датчик тиску2025/04/02Керамічний ємнісний датчик тиску.